HOME >> Services >> Partners >> FAG Bearing
FAG Bearing
IKO Bearing
INA Bearing
KOYO Bearing
NACHI Bearing
NSK Bearing
NTN Bearing
SKF Bearing
TIMKEN Bearing

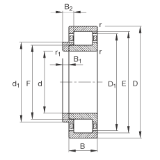
Bearing number : NJ306-E-TVP2 + HJ306-E
Size (mm) : 30x72x19
Brand : FAG
Bore Diameter (mm) : 30
Outer Diameter (mm) : 72
Width (mm) : 19
d - 30 mm
D - 72 mm
B - 19 mm
B1 - 5 mm
B2 - 8,5 mm
D1 - 59,2 mm
Da max - 65 mm
d1 - 45 mm
da max - 40 mm
da min - 37 mm
dc min - 48 mm
E - 62,5 mm
F - 40,5 mm
r1 min - 1,1 mm
ra max - 1 mm
rmin - 1,1 mm
s - 1,2 mm / Axial displacement facility from central position
- HJ306-E / Designation, L-section ring
m - 0,376 kg / Weight
m1 - 0,042 kg
Cr - 61000 N / Dynamic load rating (radial)
C0r - 48000 N / Static load rating (radial)
nG - 12400 1/min / Limiting speed
nB - 9000 1/min / Reference speed
Cur - 7700 N / Fatigue limit load, radial
Main dimensions to DIN 5412-1, with L-section ring, locating bearing, separable, with cage