HOME >> Services >> Partners >> FAG Bearing
FAG Bearing
IKO Bearing
INA Bearing
KOYO Bearing
NACHI Bearing
NSK Bearing
NTN Bearing
SKF Bearing
TIMKEN Bearing

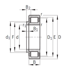
Bearing number : NJ248-E-M1+HJ248-E
Brand : FAG
Bore Diameter (mm) : 240
Outer Diameter (mm) : 440
d - 240 mm
F - 293 mm
D - 440 mm
E - 393 mm
B - 72 mm
C - 72 mm
dc min - 315 mm
d1 - 312 mm
r min. - 4 mm
r1 min. - 4 mm
B1 - 16 mm
B2 - 27 mm
B3 - – mm
D1 - 376,6 mm
da min. - 257 mm
Da max. - 423 mm
ra max. - 3 mm
Weight - 57,1 Kg
Basic dynamic load rating (C) - 1140 kN
Basic static load rating (C0) - 1600 kN
Fatigue load limit (Pu) - 163
Reference speed - 1 240 r/min
Limiting speed - 2 600 r/min