HOME >> Services >> Partners >> FAG Bearing
FAG Bearing
IKO Bearing
INA Bearing
KOYO Bearing
NACHI Bearing
NSK Bearing
NTN Bearing
SKF Bearing
TIMKEN Bearing

Bearing number : NJ2326-E-M1 + HJ2326-E
Size (mm) : 130x280x93
Brand : FAG
Bore Diameter (mm) : 130
Outer Diameter (mm) : 280
Width (mm) : 93
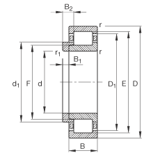
d - 130 mm
D - 280 mm
B - 93 mm
B1 - 14 mm
B2 - 28 mm
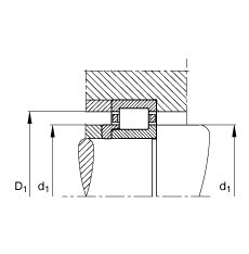
D1 - 235,2 mm
Da max - 263 mm
d1 - 181,7 mm
da max - 164 mm
da min - 147 mm
dc min - 184 mm
E - 247 mm
F - 167 mm
r1 min - 4 mm
ra max - 3 mm
rmin - 4 mm
s - 8,1 mm / Axial displacement facility from central position
- HJ2326-E / Designation, L-section ring
m - 29,2 kg / Weight
m1 - 1,77 kg
Cr - 1080000 N / Dynamic load rating (radial)
C0r - 1220000 N / Static load rating (radial)
nG - 3700 1/min / Limiting speed
nB - 1780 1/min / Reference speed
Cur - 195000 N / Fatigue limit load, radial
Main dimensions to DIN 5412-1, with L-section ring, locating bearing, separable, with cage