HOME >> Services >> Partners >> FAG Bearing
FAG Bearing
IKO Bearing
INA Bearing
KOYO Bearing
NACHI Bearing
NSK Bearing
NTN Bearing
SKF Bearing
TIMKEN Bearing

Bearing number : NJ2316-E-TVP2 + HJ2316-E
Size (mm) : 80x170x58
Brand : FAG
Bore Diameter (mm) : 80
Outer Diameter (mm) : 170
Width (mm) : 58
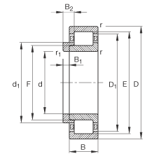
d - 80 mm
D - 170 mm
B - 58 mm
B1 - 11 mm
B2 - 20 mm
D1 - 143,9 mm
Da max - 158 mm
d1 - 110,4 mm
da max - 99 mm
da min - 92 mm
dc min - 114 mm
E - 151 mm
F - 101 mm
r1 min - 2,1 mm
ra max - 2,1 mm
rmin - 2,1 mm
s - 3,7 mm / Axial displacement facility from central position
- HJ2316-E / Designation, L-section ring
m - 6 kg / Weight
m1 - 0,488 kg
Cr - 420000 N / Dynamic load rating (radial)
C0r - 425000 N / Static load rating (radial)
nG - 4800 1/min / Limiting speed
nB - 3500 1/min / Reference speed
Cur - 78000 N / Fatigue limit load, radial
Main dimensions to DIN 5412-1, with L-section ring, locating bearing, separable, with cage