HOME >> Services >> Partners >> FAG Bearing
FAG Bearing
IKO Bearing
INA Bearing
KOYO Bearing
NACHI Bearing
NSK Bearing
NTN Bearing
SKF Bearing
TIMKEN Bearing

Bearing number : NJ2315-E-TVP2 + HJ2315-E
Size (mm) : 75x160x55
Brand : FAG
Bore Diameter (mm) : 75
Outer Diameter (mm) : 160
Width (mm) : 55
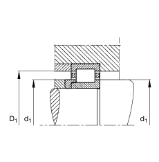
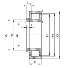
d - 75 mm
D - 160 mm
B - 55 mm
B1 - 11 mm
B2 - 19,5 mm
D1 - 136,2 mm
Da max - 148 mm
d1 - 104,1 mm
da max - 93 mm
da min - 87 mm
dc min - 106 mm
E - 143 mm
F - 95 mm
r1 min - 2,1 mm
ra max - 2,1 mm
rmin - 2,1 mm
s - 4,2 mm / Axial displacement facility from central position
- HJ2315-E / Designation, L-section ring
m - 5,04 kg / Weight
m1 - 0,436 kg
Cr - 390000 N / Dynamic load rating (radial)
C0r - 395000 N / Static load rating (radial)
nG - 5100 1/min / Limiting speed
nB - 3600 1/min / Reference speed
Cur - 71000 N / Fatigue limit load, radial
Main dimensions to DIN 5412-1, with L-section ring, locating bearing, separable, with cage