HOME >> Services >> Partners >> FAG Bearing
FAG Bearing
IKO Bearing
INA Bearing
KOYO Bearing
NACHI Bearing
NSK Bearing
NTN Bearing
SKF Bearing
TIMKEN Bearing

Bearing number : NJ2314-E-TVP2 + HJ2314-E
Size (mm) : 70x150x51
Brand : FAG
Bore Diameter (mm) : 70
Outer Diameter (mm) : 150
Width (mm) : 51
d - 70 mm
D - 150 mm
B - 51 mm
B1 - 10 mm
B2 - 18,5 mm
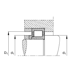
D1 - 126,8 mm
Da max - 138 mm
d1 - 97,4 mm
da max - 87 mm
da min - 82 mm
dc min - 100 mm
E - 133 mm
F - 89 mm
r1 min - 2,1 mm
ra max - 2,1 mm
rmin - 2,1 mm
s - 4,7 mm / Axial displacement facility from central position
- HJ2314-E / Designation, L-section ring
m - 4,1 kg / Weight
m1 - 0,352 kg
Cr - 325000 N / Dynamic load rating (radial)
C0r - 325000 N / Static load rating (radial)
nG - 5500 1/min / Limiting speed
nB - 3850 1/min / Reference speed
Cur - 59000 N / Fatigue limit load, radial
Main dimensions to DIN 5412-1, with L-section ring, locating bearing, separable, with cage