HOME >> Services >> Partners >> FAG Bearing
FAG Bearing
IKO Bearing
INA Bearing
KOYO Bearing
NACHI Bearing
NSK Bearing
NTN Bearing
SKF Bearing
TIMKEN Bearing

Bearing number : NJ2309-E-TVP2 + HJ2309-E
Size (mm) : 45x100x36
Brand : FAG
Bore Diameter (mm) : 45
Outer Diameter (mm) : 100
Width (mm) : 36
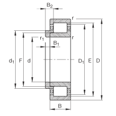
d - 45 mm
D - 100 mm
B - 36 mm
B1 - 7 mm
B2 - 13 mm
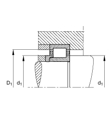
D1 - 84,1 mm
Da max - 91 mm
d1 - 64,4 mm
da max - 57 mm
da min - 54 mm
dc min - 66 mm
E - 88,5 mm
F - 58,5 mm
r1 min - 1,5 mm
ra max - 1,5 mm
rmin - 1,5 mm
s - 2,5 mm / Axial displacement facility from central position
- HJ2309-E / Designation, L-section ring
m - 1,33 kg / Weight
m1 - 0,115 kg
Cr - 163000 N / Dynamic load rating (radial)
C0r - 154000 N / Static load rating (radial)
nG - 8500 1/min / Limiting speed
nB - 5400 1/min / Reference speed
Cur - 28000 N / Fatigue limit load, radial
Main dimensions to DIN 5412-1, with L-section ring, locating bearing, separable, with cage