HOME >> Services >> Partners >> FAG Bearing
FAG Bearing
IKO Bearing
INA Bearing
KOYO Bearing
NACHI Bearing
NSK Bearing
NTN Bearing
SKF Bearing
TIMKEN Bearing

Bearing number : NJ2304-E-TVP2 + HJ2304-E
Size (mm) : 20x52x21
Brand : FAG
Bore Diameter (mm) : 20
Outer Diameter (mm) : 52
Width (mm) : 21
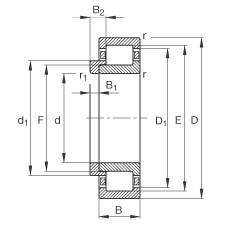
d - 20 mm
D - 52 mm
B - 21 mm
B1 - 4 mm
B2 - 7,5 mm
D1 - 42,4 mm
Da max - 45 mm
d1 - 31,3 mm
da max - 27 mm
da min - 24 mm
dc min - 33 mm
E - 45,5 mm
F - 27,5 mm
r1 min - 0,6 mm
ra max - 1 mm
rmin - 1,1 mm
s - 1,9 mm / Axial displacement facility from central position
- HJ2304-E / Designation, L-section ring
m - 0,219 kg / Weight
m1 - 0,019 kg
Cr - 49500 N / Dynamic load rating (radial)
C0r - 39000 N / Static load rating (radial)
nG - 17200 1/min / Limiting speed
nB - 9900 1/min / Reference speed
Cur - 6100 N / Fatigue limit load, radial
Main dimensions to DIN 5412-1, with L-section ring, locating bearing, separable, with cage