HOME >> Services >> Partners >> FAG Bearing
FAG Bearing
IKO Bearing
INA Bearing
KOYO Bearing
NACHI Bearing
NSK Bearing
NTN Bearing
SKF Bearing
TIMKEN Bearing

Bearing number : NJ230-E-M1 + HJ230-E
Size (mm) : 150x270x45
Brand : FAG
Bore Diameter (mm) : 150
Outer Diameter (mm) : 270
Width (mm) : 45
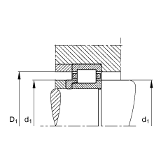
d - 150 mm
D - 270 mm
B - 45 mm
B1 - 12 mm
B2 - 19,5 mm
D1 - 233,2 mm
Da max - 256 mm
d1 - 193,1 mm
da max - 179 mm
da min - 164 mm
dc min - 196 mm
E - 242 mm
F - 182 mm
r1 min - 3 mm
ra max - 2,5 mm
rmin - 3 mm
s - 4 mm / Axial displacement facility from central position
- HJ230-E / Designation, L-section ring
m - 12 kg / Weight
m1 - 1,26 kg
Cr - 520000 N / Dynamic load rating (radial)
C0r - 590000 N / Static load rating (radial)
nG - 3950 1/min / Limiting speed
nB - 2380 1/min / Reference speed
Cur - 89000 N / Fatigue limit load, radial
Main dimensions to DIN 5412-1, with L-section ring, locating bearing, separable, with cage