HOME >> Services >> Partners >> FAG Bearing
FAG Bearing
IKO Bearing
INA Bearing
KOYO Bearing
NACHI Bearing
NSK Bearing
NTN Bearing
SKF Bearing
TIMKEN Bearing

Bearing number : NJ2212-E-TVP2 + HJ212-E
Size (mm) : 60x110x28
Brand : FAG
Bore Diameter (mm) : 60
Outer Diameter (mm) : 110
Width (mm) : 28
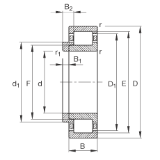
d - 60 mm
D - 110 mm
B - 28 mm
B1 - 6 mm
B2 - 10 mm
D1 - 96,1 mm
Da max - 101 mm
d1 - 77,6 mm
da max - 71 mm
da min - 69 mm
dc min - 80 mm
E - 100 mm
F - 72 mm
r1 min - 1,5 mm
ra max - 1,5 mm
rmin - 1,5 mm
s - 1,6 mm / Axial displacement facility from central position
- HJ212-E / Designation, L-section ring
m - 1,1 kg / Weight
m1 - 0,106 kg
Cr - 152000 N / Dynamic load rating (radial)
C0r - 153000 N / Static load rating (radial)
nG - 7700 1/min / Limiting speed
nB - 4400 1/min / Reference speed
Cur - 27500 N / Fatigue limit load, radial
Main dimensions to DIN 5412-1, with L-section ring, locating bearing, separable, with cage