HOME >> Services >> Partners >> FAG Bearing
FAG Bearing
IKO Bearing
INA Bearing
KOYO Bearing
NACHI Bearing
NSK Bearing
NTN Bearing
SKF Bearing
TIMKEN Bearing

Bearing number : NJ221-E-TVP2 + HJ221-E
Size (mm) : 105x190x36
Brand : FAG
Bore Diameter (mm) : 105
Outer Diameter (mm) : 190
Width (mm) : 36
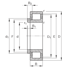
d - 105 mm
D - 190 mm
B - 36 mm
B1 - 10 mm
B2 - 16 mm
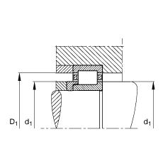
D1 - 165,1 mm
Da max - 178 mm
d1 - 134,5 mm
da max - 123 mm
da min - 117 mm
dc min - 137 mm
E - 171,5 mm
F - 125,5 mm
r1 min - 2,1 mm
ra max - 2,1 mm
rmin - 2,1 mm
s - 1,3 mm / Axial displacement facility from central position
- HJ221-E / Designation, L-section ring
m - 4,17 kg / Weight
m1 - 0,51 kg
Cr - 310000 N / Dynamic load rating (radial)
C0r - 320000 N / Static load rating (radial)
nG - 4350 1/min / Limiting speed
nB - 3450 1/min / Reference speed
Cur - 53000 N / Fatigue limit load, radial
Main dimensions to DIN 5412-1, with L-section ring, locating bearing, separable, with cage