HOME >> Services >> Partners >> FAG Bearing
FAG Bearing
IKO Bearing
INA Bearing
KOYO Bearing
NACHI Bearing
NSK Bearing
NTN Bearing
SKF Bearing
TIMKEN Bearing

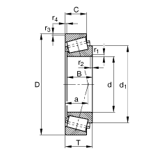
Bearing number : KL44649-L44610
Size (mm) : 26.988x50.292x14.224
Brand : FAG
Bore Diameter (mm) : 26,988
Outer Diameter (mm) : 50,292
Width (mm) : 14,224
d - 26,988 mm
D - 50,292 mm
T - 14,224 mm
a - 11 mm
B - 14,732 mm
C - 10,668 mm
Ca min - 2,5 mm
Cb min - 3,5 mm
Da min - 44,5 mm
Db min - 47 mm
d1 - 40,1 mm
da max - 31 mm
db min - 37,5 mm
r1, 2 min - 3,6 mm
r3, 4 min - 1,3 mm
ra max - 3,6 mm
rb max - 1,3 mm
m - 0,119 kg / Weight
Cr - 26000 N / Dynamic load rating (radial)
C0r - 29500 N
e - 0,37
Y - 1,6
Y0 - 0,88
Cur - 3150 N / Fatigue limit load, radial
nG - 15200 1/min / Limiting speed
Tapered roller bearings K-Series, in inch sizes, separable, adjusted or in pairs