HOME >> Services >> Partners >> FAG Bearing
FAG Bearing
IKO Bearing
INA Bearing
KOYO Bearing
NACHI Bearing
NSK Bearing
NTN Bearing
SKF Bearing
TIMKEN Bearing

Bearing number : JK0S030
Size (mm) : 30x55x19
Brand : FAG
Bore Diameter (mm) : 30
Outer Diameter (mm) : 55
Width (mm) : 19
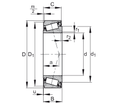
d - 30 mm
D - 55 mm
B - 19 mm
a - 14,9 mm
C - 18,5 mm
D1 - 51,4 mm
Dn - 56,5 mm / Nominal dimension of slot
d1 - 43,6 mm
da max - 35 mm
db min - 36 mm
m/2 - 0,75 mm
ra max - 1 mm
r1, r2min - 1 mm
u - 0,02 mm
Δ Dn - +0,19 mm / Deviation Δ Dn
Δ u - +0,05 mm / Deviation Δ u
m - 0,19 kg / Weight, ungreased
- BR55 / Designation, snap ring
Cr - 38500 N / Dynamic load rating (radial)
C0r - 46500 N
e - 0,43
Y - 1,4
Y0 - 0,77
Cur - 5300 N / Fatigue limit load, radial
nG Fett - 4000 1/min / Limiting speed for grease lubrication
FBR - 15700 N / Load carrying capacity of snap ring connection With abutment against a sharp edge
- 7700 N / Max. axial assembly clamping force of bearing pair
Tapered roller bearings JK0S, integral tapered roller bearings, lip seal on one side, diameter series 0