HOME >> Services >> Partners >> FAG Bearing
FAG Bearing
IKO Bearing
INA Bearing
KOYO Bearing
NACHI Bearing
NSK Bearing
NTN Bearing
SKF Bearing
TIMKEN Bearing

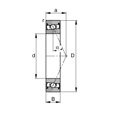
Bearing number : HSS71928-E-T-P4S
Size (mm) : 140x190x24
Brand : FAG
Bore Diameter (mm) : 140
Outer Diameter (mm) : 190
Width (mm) : 24
d - 140 mm
D - 190 mm
B - 24 mm
a - 50 mm
Da - 174,5 mm / Tolerance: H12
da - 155 mm / Tolerance: h12
ra max - 0,6 mm
rmin - 1,5 mm
α - 25 ° / Angle
Cr - 39000 N / Dynamic load rating (radial)
C0r - 36500 N / Static load rating (radial)
nG Fett - 8500 1/min / Limiting speed for grease lubrication
Cur - 2900 N / Fatigue limit load, radial