HOME >> Services >> Partners >> FAG Bearing
FAG Bearing
IKO Bearing
INA Bearing
KOYO Bearing
NACHI Bearing
NSK Bearing
NTN Bearing
SKF Bearing
TIMKEN Bearing

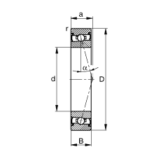
Bearing number : HSS71904-C-T-P4S
Size (mm) : 20x37x9
Brand : FAG
Bore Diameter (mm) : 20
Outer Diameter (mm) : 37
Width (mm) : 9
d - 20 mm
D - 37 mm
B - 9 mm
a - 8 mm
Da - 33,5 mm / Tolerance: H12
da - 24 mm / Tolerance: h12
ra max - 0,3 mm
rmin - 0,3 mm
α - 15 ° / Angle
m - 0,046 kg / Weight
Cr - 3600 N / Dynamic load rating (radial)
C0r - 1730 N / Static load rating (radial)
nG Fett - 56000 1/min / Limiting speed for grease lubrication
Cur - 178 N / Fatigue limit load, radial