HOME >> Services >> Partners >> FAG Bearing
FAG Bearing
IKO Bearing
INA Bearing
KOYO Bearing
NACHI Bearing
NSK Bearing
NTN Bearing
SKF Bearing
TIMKEN Bearing

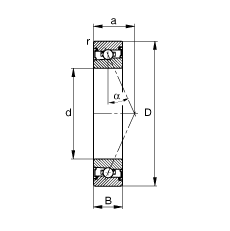
Bearing number : HSS7022-E-T-P4S
Size (mm) : 110x170x28
Brand : FAG
Bore Diameter (mm) : 110
Outer Diameter (mm) : 170
Width (mm) : 28
d - 110 mm
D - 170 mm
B - 28 mm
a - 47 mm
Da - 159 mm / Tolerance: H12
da - 121 mm / Tolerance: h12
ra max - 2 mm
rmin - 2 mm
α - 25 ° / Angle
m - 2,33 kg / Weight
Cr - 45500 N / Dynamic load rating (radial)
C0r - 35500 N / Static load rating (radial)
nG Fett - 11000 1/min / Limiting speed for grease lubrication
Cur - 3100 N / Fatigue limit load, radial