HOME >> Services >> Partners >> FAG Bearing
FAG Bearing
IKO Bearing
INA Bearing
KOYO Bearing
NACHI Bearing
NSK Bearing
NTN Bearing
SKF Bearing
TIMKEN Bearing

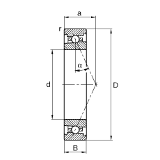
Bearing number : HS71916-E-T-P4S
Size (mm) : 80x110x16
Brand : FAG
Bore Diameter (mm) : 80
Outer Diameter (mm) : 110
Width (mm) : 16
d - 80 mm
D - 110 mm
B - 16 mm
a - 30 mm
Da - 101,5 mm / Tolerance: H12
da - 88 mm / Tolerance: h12
ra max - 0,6 mm
rmin - 1 mm
α - 25 ° / Angle
m - 0,379 kg / Weight
Cr - 19200 N / Dynamic load rating (radial)
C0r - 14600 N / Static load rating (radial)
nG Fett - 15000 1/min / Limiting speed for grease lubrication
nG Ol - 24000 1/min / Limiting speed for minimal quantity oil lubrication
Cur - 1500 N / Fatigue limit load, radial