HOME >> Services >> Partners >> FAG Bearing
FAG Bearing
IKO Bearing
INA Bearing
KOYO Bearing
NACHI Bearing
NSK Bearing
NTN Bearing
SKF Bearing
TIMKEN Bearing

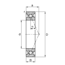
Bearing number : HS71911-E-T-P4S
Size (mm) : 55x80x13
Brand : FAG
Bore Diameter (mm) : 55
Outer Diameter (mm) : 80
Width (mm) : 13
d - 55 mm
D - 80 mm
B - 13 mm
a - 22 mm
Da - 73 mm / Tolerance: H12
da - 61,5 mm / Tolerance: h12
ra max - 0,6 mm
rmin - 1 mm
α - 25 ° / Angle
m - 0,186 kg / Weight
Cr - 12300 N / Dynamic load rating (radial)
C0r - 8000 N / Static load rating (radial)
nG Fett - 22000 1/min / Limiting speed for grease lubrication
nG Ol - 32000 1/min / Limiting speed for minimal quantity oil lubrication
Cur - 830 N / Fatigue limit load, radial