HOME >> Services >> Partners >> FAG Bearing
FAG Bearing
IKO Bearing
INA Bearing
KOYO Bearing
NACHI Bearing
NSK Bearing
NTN Bearing
SKF Bearing
TIMKEN Bearing

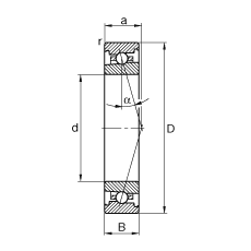
Bearing number : HS7028-C-T-P4S
Size (mm) : 140x210x33
Brand : FAG
Bore Diameter (mm) : 140
Outer Diameter (mm) : 210
Width (mm) : 33
d - 140 mm
D - 210 mm
B - 33 mm
a - 40 mm
Da - 187,5 mm / Tolerance: H12
da - 162 mm / Tolerance: h12
ra max - 2 mm
rmin - 2 mm
α - 15 ° / Angle
m - 3,73 kg / Weight
Cr - 65000 N / Dynamic load rating (radial)
C0r - 57000 N / Static load rating (radial)
nG Fett - 9000 1/min / Limiting speed for grease lubrication
nG Ol - 14000 1/min / Limiting speed for minimal quantity oil lubrication
Cur - 4400 N / Fatigue limit load, radial