HOME >> Services >> Partners >> FAG Bearing
FAG Bearing
IKO Bearing
INA Bearing
KOYO Bearing
NACHI Bearing
NSK Bearing
NTN Bearing
SKF Bearing
TIMKEN Bearing

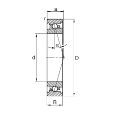
Bearing number : HS7017-C-T-P4S
Size (mm) : 85x130x22
Brand : FAG
Bore Diameter (mm) : 85
Outer Diameter (mm) : 130
Width (mm) : 22
d - 85 mm
D - 130 mm
B - 22 mm
a - 25 mm
Da - 116 mm / Tolerance: H12
da - 98,5 mm / Tolerance: h12
ra max - 1 mm
rmin - 1,1 mm
α - 15 ° / Angle
m - 0,97 kg / Weight
Cr - 30500 N / Dynamic load rating (radial)
C0r - 22700 N / Static load rating (radial)
nG Fett - 15000 1/min / Limiting speed for grease lubrication
nG Ol - 22000 1/min / Limiting speed for minimal quantity oil lubrication
Cur - 2250 N / Fatigue limit load, radial