HOME >> Services >> Partners >> FAG Bearing
FAG Bearing
IKO Bearing
INA Bearing
KOYO Bearing
NACHI Bearing
NSK Bearing
NTN Bearing
SKF Bearing
TIMKEN Bearing

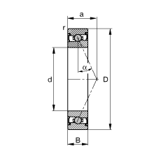
Bearing number : HCS7004-E-T-P4S
Size (mm) : 20x42x12
Brand : FAG
Bore Diameter (mm) : 20
Outer Diameter (mm) : 42
Width (mm) : 12
d - 20 mm
D - 42 mm
B - 12 mm
a - 13 mm
Da - 37 mm / Tolerance: H12
da - 25 mm / Tolerance: h12
ra max - 0,6 mm
rmin - 0,6 mm
α - 25 ° / Angle
m - 0,079 kg / Weight
Cr - 5400 N / Dynamic load rating (radial)
C0r - 1810 N / Static load rating (radial)
nG Fett - 60000 1/min / Limiting speed for grease lubrication
Cur - 188 N / Fatigue limit load, radial