HOME >> Services >> Partners >> FAG Bearing
FAG Bearing
IKO Bearing
INA Bearing
KOYO Bearing
NACHI Bearing
NSK Bearing
NTN Bearing
SKF Bearing
TIMKEN Bearing

Bearing number : HCB71924-E-T-P4S
Size (mm) : 120x165x22
Brand : FAG
Bore Diameter (mm) : 120
Outer Diameter (mm) : 165
Width (mm) : 22
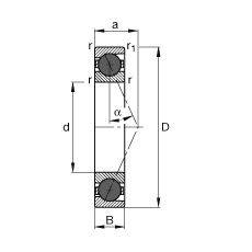
d - 120 mm
D - 165 mm
B - 22 mm
a - 44 mm
Da - 157 mm / Tolerance: H12
da - 128 mm / Tolerance: h12
r1 min - 1,1 mm
ra max - 0,6 mm
ra1 max - 0,6 mm
rmin - 1,1 mm
α - 25 ° / Angle
m - 0,969 kg / Weight
Cr - 72000 N / Dynamic load rating (radial)
C0r - 39500 N / Static load rating (radial)
nG Fett - 10000 1/min / Limiting speed for grease lubrication
nG Ol - 15000 1/min / Limiting speed for minimal quantity oil lubrication
Cur - 3450 N / Fatigue limit load, radial