HOME >> Services >> Partners >> FAG Bearing
FAG Bearing
IKO Bearing
INA Bearing
KOYO Bearing
NACHI Bearing
NSK Bearing
NTN Bearing
SKF Bearing
TIMKEN Bearing

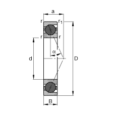
Bearing number : HCB71914-E-T-P4S
Size (mm) : 70x100x16
Brand : FAG
Bore Diameter (mm) : 70
Outer Diameter (mm) : 100
Width (mm) : 16
d - 70 mm
D - 100 mm
B - 16 mm
a - 28 mm
Da - 94,5 mm / Tolerance: H12
da - 76 mm / Tolerance: h12
r1 min - 1 mm
ra max - 0,6 mm
ra1 max - 0,6 mm
rmin - 1 mm
α - 25 ° / Angle
m - 0,28 kg / Weight
Cr - 32500 N / Dynamic load rating (radial)
C0r - 15200 N / Static load rating (radial)
nG Fett - 17000 1/min / Limiting speed for grease lubrication
nG Ol - 26000 1/min / Limiting speed for minimal quantity oil lubrication
Cur - 1580 N / Fatigue limit load, radial