HOME >> Services >> Partners >> FAG Bearing
FAG Bearing
IKO Bearing
INA Bearing
KOYO Bearing
NACHI Bearing
NSK Bearing
NTN Bearing
SKF Bearing
TIMKEN Bearing

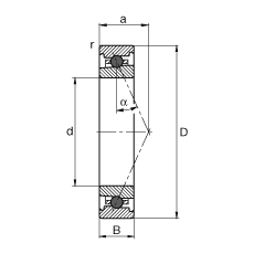
Bearing number : HC71921-E-T-P4S
Size (mm) : 105x145x20
Brand : FAG
Bore Diameter (mm) : 105
Outer Diameter (mm) : 145
Width (mm) : 20
d - 105 mm
D - 145 mm
B - 20 mm
a - 39 mm
Da - 132,5 mm / Tolerance: H12
da - 117 mm / Tolerance: h12
ra max - 0,6 mm
rmin - 1,1 mm
α - 25 ° / Angle
m - 0,825 kg / Weight
Cr - 27500 N / Dynamic load rating (radial)
C0r - 16400 N / Static load rating (radial)
nG Fett - 15000 1/min / Limiting speed for grease lubrication
nG Ol - 22000 1/min / Limiting speed for minimal quantity oil lubrication
Cur - 1530 N / Fatigue limit load, radial