HOME >> Services >> Partners >> FAG Bearing
FAG Bearing
IKO Bearing
INA Bearing
KOYO Bearing
NACHI Bearing
NSK Bearing
NTN Bearing
SKF Bearing
TIMKEN Bearing

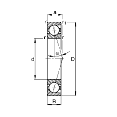
Bearing number : B7204-C-T-P4S
Size (mm) : 20x47x14
Brand : FAG
Bore Diameter (mm) : 20
Outer Diameter (mm) : 47
Width (mm) : 14
d - 20 mm
D - 47 mm
B - 14 mm
a - 12 mm
Da - 40,5 mm / Tolerance: H12
da - 26,5 mm / Tolerance: h12
r1 min - 1 mm
ra max - 1 mm
ra1 max - 1 mm
rmin - 1 mm
α - 15 ° / Angle
m - 0,103 kg / Weight
Cr - 17200 N / Dynamic load rating (radial)
C0r - 8000 N / Static load rating (radial)
nG Fett - 32000 1/min / Limiting speed for grease lubrication
nG Ol - 48000 1/min / Limiting speed for minimal quantity oil lubrication
Cur - 820 N / Fatigue limit load, radial