HOME >> Services >> Partners >> FAG Bearing
FAG Bearing
IKO Bearing
INA Bearing
KOYO Bearing
NACHI Bearing
NSK Bearing
NTN Bearing
SKF Bearing
TIMKEN Bearing

Bearing number : B71902-E-T-P4S
Size (mm) : 15x28x7
Brand : FAG
Bore Diameter (mm) : 15
Outer Diameter (mm) : 28
Width (mm) : 7
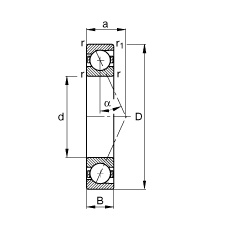
d - 15 mm
D - 28 mm
B - 7 mm
a - 9 mm
Da - 25,5 mm / Tolerance: H12
da - 18 mm / Tolerance: h12
r1 min - 0,3 mm
ra max - 0,3 mm
ra1 max - 0,3 mm
rmin - 0,3 mm
α - 25 ° / Angle
m - 0,016 kg / Weight
Cr - 4850 N / Dynamic load rating (radial)
C0r - 1940 N / Static load rating (radial)
nG Fett - 50000 1/min / Limiting speed for grease lubrication
nG Ol - 75000 1/min / Limiting speed for minimal quantity oil lubrication
Cur - 200 N / Fatigue limit load, radial