HOME >> Services >> Partners >> FAG Bearing
FAG Bearing
IKO Bearing
INA Bearing
KOYO Bearing
NACHI Bearing
NSK Bearing
NTN Bearing
SKF Bearing
TIMKEN Bearing

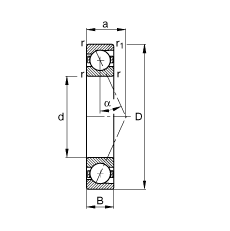
Bearing number : B7032-E-T-P4S
Size (mm) : 160x240x38
Brand : FAG
Bore Diameter (mm) : 160
Outer Diameter (mm) : 240
Width (mm) : 38
d - 160 mm
D - 240 mm
B - 38 mm
a - 66 mm
Da - 228 mm / Tolerance: H12
da - 174 mm / Tolerance: h12
r1 min - 2,1 mm
ra max - 2 mm
ra1 max - 1 mm
rmin - 2,1 mm
α - 25 ° / Angle
m - 5,01 kg / Weight
Cr - 182000 N / Dynamic load rating (radial)
C0r - 138000 N / Static load rating (radial)
nG Fett - 5000 1/min / Limiting speed for grease lubrication
nG Ol - 7500 1/min / Limiting speed for minimal quantity oil lubrication
Cur - 10100 N / Fatigue limit load, radial