HOME >> Services >> Partners >> FAG Bearing
FAG Bearing
IKO Bearing
INA Bearing
KOYO Bearing
NACHI Bearing
NSK Bearing
NTN Bearing
SKF Bearing
TIMKEN Bearing

Bearing number : B7020-E-2RSD-T-P4S
Size (mm) : 100x150x24
Brand : FAG
Bore Diameter (mm) : 100
Outer Diameter (mm) : 150
Width (mm) : 24
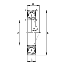
d - 100 mm
D - 150 mm
B - 24 mm
a - 41 mm
Da - 141 mm / Tolerance: H12
da - 110 mm / Tolerance: h12
r1 min - 1,5 mm
ra max - 1,5 mm
ra1 max - 0,6 mm
rmin - 1,5 mm
α - 25 ° / Angle
m - 1,28 kg / Weight
Cr - 79000 N / Dynamic load rating (radial)
C0r - 55000 N / Static load rating (radial)
nG Fett - 8000 1/min / Limiting speed for grease lubrication
Cur - 5000 N / Fatigue limit load, radial