HOME >> Services >> Partners >> FAG Bearing
FAG Bearing
IKO Bearing
INA Bearing
KOYO Bearing
NACHI Bearing
NSK Bearing
NTN Bearing
SKF Bearing
TIMKEN Bearing

Bearing number : B7005-C-T-P4S
Size (mm) : 25x47x12
Brand : FAG
Bore Diameter (mm) : 25
Outer Diameter (mm) : 47
Width (mm) : 12
d - 25 mm
D - 47 mm
B - 12 mm
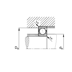
a - 11 mm
Da - 42 mm / Tolerance: H12
da - 30 mm / Tolerance: h12
r1 min - 0,6 mm
ra max - 0,6 mm
ra1 max - 0,3 mm
rmin - 0,6 mm
α - 15 ° / Angle
m - 0,071 kg / Weight
Cr - 14300 N / Dynamic load rating (radial)
C0r - 6500 N / Static load rating (radial)
nG Fett - 34000 1/min / Limiting speed for grease lubrication
nG Ol - 50000 1/min / Limiting speed for minimal quantity oil lubrication
Cur - 660 N / Fatigue limit load, radial