HOME >> Services >> Partners >> FAG Bearing
FAG Bearing
IKO Bearing
INA Bearing
KOYO Bearing
NACHI Bearing
NSK Bearing
NTN Bearing
SKF Bearing
TIMKEN Bearing

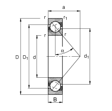
Bearing number : 7318-B-TVP
Size (mm) : 90x190x43
Brand : FAG
Bore Diameter (mm) : 90
Outer Diameter (mm) : 190
Width (mm) : 43
d - 90 mm
D - 190 mm
B - 43 mm
a - 80 mm
D1 - 152,4 mm
Da max - 176 mm
Db max - 183 mm
d1 - 130,1 mm
da min - 104 mm
r1 min - 1,1 mm
ra max - 2,5 mm
ra1 max - 1 mm
rmin - 3 mm
α - 40 ° / Angle
m - 5 kg / Weight
Cr - 180000 N / Dynamic load rating (radial)
C0r - 155000 N / Static load rating (radial)
nG - 4200 1/min / Limiting speed
nB - 3900 1/min / Reference speed
Cur - 8800 N
Main dimensions to DIN 628-1, Angle α = 40°