HOME >> Services >> Partners >> FAG Bearing
FAG Bearing
IKO Bearing
INA Bearing
KOYO Bearing
NACHI Bearing
NSK Bearing
NTN Bearing
SKF Bearing
TIMKEN Bearing

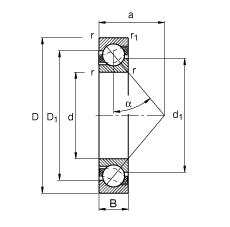
Bearing number : 7316-B-JP
Size (mm) : 80x170x39
Brand : FAG
Bore Diameter (mm) : 80
Outer Diameter (mm) : 170
Width (mm) : 39
d - 80 mm
D - 170 mm
B - 39 mm
a - 72 mm
D1 - 136,7 mm
Da max - 158 mm
Db max - 163 mm
d1 - 115,7 mm
da min - 92 mm
r1 min - 1,1 mm
ra max - 2,1 mm
ra1 max - 1 mm
rmin - 2,1 mm
α - 40 ° / Angle
m - 3,86 kg / Weight
Cr - 155000 N / Dynamic load rating (radial)
C0r - 124000 N / Static load rating (radial)
nG - 4750 1/min / Limiting speed
nB - 4250 1/min / Reference speed
Cur - 7500 N
Main dimensions to DIN 628-1, Angle α = 40°