HOME >> Services >> Partners >> FAG Bearing
FAG Bearing
IKO Bearing
INA Bearing
KOYO Bearing
NACHI Bearing
NSK Bearing
NTN Bearing
SKF Bearing
TIMKEN Bearing

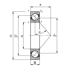
Bearing number : 7311-B-JP
Size (mm) : 55x120x29
Brand : FAG
Bore Diameter (mm) : 55
Outer Diameter (mm) : 120
Width (mm) : 29
d - 55 mm
D - 120 mm
B - 29 mm
a - 51 mm
D1 - 95,3 mm
Da max - 109 mm
Db max - 114,4 mm
d1 - 80,3 mm
da min - 66 mm
r1 min - 1 mm
ra max - 2 mm
ra1 max - 1 mm
rmin - 2 mm
α - 40 ° / Angle
m - 1,46 kg / Weight
Cr - 86000 N / Dynamic load rating (radial)
C0r - 61000 N / Static load rating (radial)
nG - 7000 1/min / Limiting speed
nB - 5600 1/min / Reference speed
Cur - 4100 N
Main dimensions to DIN 628-1, Angle α = 40°