HOME >> Services >> Partners >> FAG Bearing
FAG Bearing
IKO Bearing
INA Bearing
KOYO Bearing
NACHI Bearing
NSK Bearing
NTN Bearing
SKF Bearing
TIMKEN Bearing

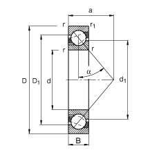
Bearing number : 7212-B-TVP
Size (mm) : 60x110x22
Brand : FAG
Bore Diameter (mm) : 60
Outer Diameter (mm) : 110
Width (mm) : 22
d - 60 mm
D - 110 mm
B - 22 mm
a - 47 mm
D1 - 90,8 mm
Da max - 101 mm
Db max - 104,4 mm
d1 - 80,3 mm
da min - 69 mm
r1 min - 1 mm
ra max - 1,5 mm
ra1 max - 1 mm
rmin - 1,5 mm
α - 40 ° / Angle
m - 0,777 kg / Weight
Cr - 59000 N / Dynamic load rating (radial)
C0r - 45000 N / Static load rating (radial)
nG - 7500 1/min / Limiting speed
nB - 6200 1/min / Reference speed
Cur - 3050 N
Main dimensions to DIN 628-1, Angle α = 40°