HOME >> Services >> Partners >> FAG Bearing
FAG Bearing
IKO Bearing
INA Bearing
KOYO Bearing
NACHI Bearing
NSK Bearing
NTN Bearing
SKF Bearing
TIMKEN Bearing

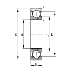
Bearing number : 6322
Size (mm) : 110x240x50
Brand : FAG
Bore Diameter (mm) : 110
Outer Diameter (mm) : 240
Width (mm) : 50
d - 110 mm
D - 240 mm
B - 50 mm
D1 - 197,4 mm
Da max - 226 mm
d1 - 153,4 mm
da min - 124 mm
ra max - 2,5 mm
rmin - 3 mm
m - 10,3 kg / Weight
Cr - 201000 N / Dynamic load rating (radial)
C0r - 165000 N / Static load rating (radial)
nG - 3800 1/min / Limiting speed
nB - 4150 1/min / Reference speed
Cur - 8600 N / Fatigue limit load, radial
Main dimensions to DIN 625-1