HOME >> Services >> Partners >> FAG Bearing
FAG Bearing
IKO Bearing
INA Bearing
KOYO Bearing
NACHI Bearing
NSK Bearing
NTN Bearing
SKF Bearing
TIMKEN Bearing

Bearing number : 6312
Size (mm) : 60x130x31
Brand : FAG
Bore Diameter (mm) : 60
Outer Diameter (mm) : 130
Width (mm) : 31
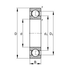
d - 60 mm
D - 130 mm
B - 31 mm
D1 - 108,4 mm
Da max - 118 mm
d1 - 81,6 mm
da min - 72 mm
ra max - 2,1 mm
rmin - 2,1 mm
m - 1,75 kg / Weight
Cr - 89000 N / Dynamic load rating (radial)
C0r - 52000 N / Static load rating (radial)
nG - 7900 1/min / Limiting speed
nB - 6700 1/min / Reference speed
Cur - 3500 N / Fatigue limit load, radial
Main dimensions to DIN 625-1