HOME >> Services >> Partners >> FAG Bearing
FAG Bearing
IKO Bearing
INA Bearing
KOYO Bearing
NACHI Bearing
NSK Bearing
NTN Bearing
SKF Bearing
TIMKEN Bearing

Bearing number : 6309-2RSR
Size (mm) : 45x100x25
Brand : FAG
Bore Diameter (mm) : 45
Outer Diameter (mm) : 100
Width (mm) : 25
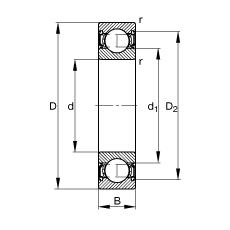
d - 45 mm
D - 100 mm
B - 25 mm
D2 - 85,6 mm
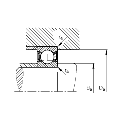
Da max - 91 mm
d1 - 62 mm
da min - 54 mm
ra max - 1,5 mm
rmin - 1,5 mm
m - 0,867 kg / Weight
Cr - 56000 N / Dynamic load rating (radial)
C0r - 31500 N / Static load rating (radial)
nG - 4500 1/min / Limiting speed
nB - - 1/min / Reference speed
Cur - 2180 N / Fatigue limit load, radial
Main dimensions to DIN 625-1, lip seal on both side