HOME >> Services >> Partners >> FAG Bearing
FAG Bearing
IKO Bearing
INA Bearing
KOYO Bearing
NACHI Bearing
NSK Bearing
NTN Bearing
SKF Bearing
TIMKEN Bearing

Bearing number : 6219-2Z
Size (mm) : 95x170x32
Brand : FAG
Bore Diameter (mm) : 95
Outer Diameter (mm) : 170
Width (mm) : 32
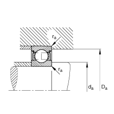
d - 95 mm
D - 170 mm
B - 32 mm
D2 - 150,9 mm
Da max - 158 mm
d1 - 118,3 mm
da min - 107 mm
ra max - 2,1 mm
rmin - 2,1 mm
m - 2,79 kg / Weight
Cr - 116000 N / Dynamic load rating (radial)
C0r - 82000 N / Static load rating (radial)
nG - 4550 1/min / Limiting speed
nB - 4950 1/min / Reference speed
Cur - 4700 N / Fatigue limit load, radial
Main dimensions to DIN 625-1