HOME >> Services >> Partners >> FAG Bearing
FAG Bearing
IKO Bearing
INA Bearing
KOYO Bearing
NACHI Bearing
NSK Bearing
NTN Bearing
SKF Bearing
TIMKEN Bearing

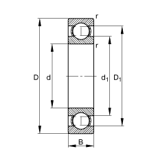
Bearing number : 6052-M
Size (mm) : 260x400x65
Brand : FAG
Bore Diameter (mm) : 260
Outer Diameter (mm) : 400
Width (mm) : 65
d - 260 mm
D - 400 mm
B - 65 mm
D1 - 357 mm
Da max - 385,4 mm
d1 - 304,6 mm
da min - 274,6 mm
ra max - 3 mm
rmin - 4 mm
m - 29,8 kg / Weight
Cr - 310000 N / Dynamic load rating (radial)
C0r - 405000 N / Static load rating (radial)
nG - 2750 1/min / Limiting speed
nB - 2250 1/min / Reference speed
Cur - 13900 N / Fatigue limit load, radial
Main dimensions to DIN 625-1