HOME >> Services >> Partners >> FAG Bearing
FAG Bearing
IKO Bearing
INA Bearing
KOYO Bearing
NACHI Bearing
NSK Bearing
NTN Bearing
SKF Bearing
TIMKEN Bearing

Bearing number : 22218-E1-K + AHX318
Size (mm) : 85x160x40
Brand : FAG
Bore Diameter (mm) : 85
Outer Diameter (mm) : 160
Width (mm) : 40
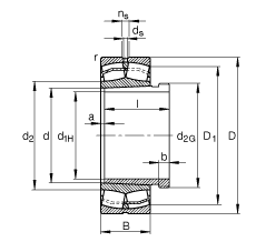
d1H - 85 mm
D - 160 mm
B - 40 mm
a - 4 mm
b - 9 mm
D1 - 143,9 mm
Da max - 149 mm
d - 90 mm
d2 - 106,1 mm
d2G - M100X2
da min - 101 mm
ds - 3,2 mm
l - 53 mm
ns - 6,5 mm
ra max - 2 mm
rmin - 2 mm
- AHX318 / Designation, withdrawal sleeve
m - 3,35 kg / Weight
m1 - 0,48 kg / Weight, withdrawal sleeve
Cr - 345000 N
e - 0,23
Y1 - 2,9
Y2 - 4,31
C0r - 375000 N / Static load rating (radial)
Y0 - 2,83
nG - 5200 1/min / Limiting speed
nB - 3500 1/min / Reference speed
Cur -
Main dimensions to DIN 635-2