HOME >> Services >> Partners >> FAG Bearing
FAG Bearing
IKO Bearing
INA Bearing
KOYO Bearing
NACHI Bearing
NSK Bearing
NTN Bearing
SKF Bearing
TIMKEN Bearing

Bearing number : 22217-E1-K + AHX317
Size (mm) : 80x150x36
Brand : FAG
Bore Diameter (mm) : 80
Outer Diameter (mm) : 150
Width (mm) : 36
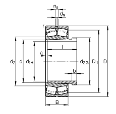
d1H - 80 mm
D - 150 mm
B - 36 mm
a - 4 mm
b - 9 mm
D1 - 135,4 mm
Da max - 139 mm
d - 85 mm
d2 - 99,7 mm
d2G - M95X2
da min - 96 mm
ds - 3,2 mm
l - 52 mm
ns - 6,5 mm
ra max - 2 mm
rmin - 2 mm
- AHX317 / Designation, withdrawal sleeve
m - 2,59 kg / Weight
m1 - 0,44 kg / Weight, withdrawal sleeve
Cr - 305000 N
e - 0,22
Y1 - 3,04
Y2 - 4,53
C0r - 325000 N / Static load rating (radial)
Y0 - 2,97
nG - 5700 1/min / Limiting speed
nB - 3550 1/min / Reference speed
Cur -
Main dimensions to DIN 635-2