HOME >> Services >> Partners >> FAG Bearing
FAG Bearing
IKO Bearing
INA Bearing
KOYO Bearing
NACHI Bearing
NSK Bearing
NTN Bearing
SKF Bearing
TIMKEN Bearing

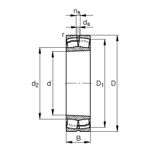
Bearing number : 22208-E1-K
Size (mm) : 40x80x23
Brand : FAG
Bore Diameter (mm) : 40
Outer Diameter (mm) : 80
Width (mm) : 23
d - 40 mm
D - 80 mm
B - 23 mm
D1 - 70,4 mm
Da max - 73 mm
d2 - 48,8 mm
da min - 47 mm
ds - 3,2 mm
ns - 4,8 mm
ra max - 1 mm
rmin - 1,1 mm
m - 0,528 kg / Weight
Cr - 101000 N / Dynamic load rating (radial)
e - 0,27
Y1 - 2,49
Y2 - 3,71
C0r - 91000 N / Static load rating (radial)
Y0 - 2,43
nG - 10500 1/min / Limiting speed
nB - 6400 1/min
Cur - 11800 N / Fatigue limit load, radial
Main dimensions to DIN 635-2