HOME >> Services >> Partners >> FAG Bearing
FAG Bearing
IKO Bearing
INA Bearing
KOYO Bearing
NACHI Bearing
NSK Bearing
NTN Bearing
SKF Bearing
TIMKEN Bearing

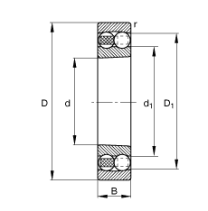
Bearing number : 2218-K-TVH-C3
Size (mm) : 90x160x40
Brand : FAG
Bore Diameter (mm) : 90
Outer Diameter (mm) : 160
Width (mm) : 40
d - 90 mm
D - 160 mm
B - 40 mm
D1 - 139,4 mm
Da max - 149 mm
d1 - 111,5 mm
da min - 101 mm
ra max - 2 mm
rmin - 2 mm
m - 3,18 kg / Weight
Cr - 71000 N / Dynamic load rating (radial)
e - 0,27
Y1 - 2,33
Y2 - 3,61
C0r - 28500 N / Static load rating (radial)
Y0 - 2,44
nG - 4300 1/min / Limiting speed
nB - 5700 1/min / Reference speed
Cur - 1580 N / Fatigue limit load, radial
Main dimensions to DIN 630