HOME >> Services >> Partners >> FAG Bearing
FAG Bearing
IKO Bearing
INA Bearing
KOYO Bearing
NACHI Bearing
NSK Bearing
NTN Bearing
SKF Bearing
TIMKEN Bearing

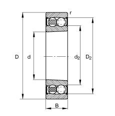
Bearing number : 2205-K-2RS-TVH-C3
Size (mm) : 25x52x18
Brand : FAG
Bore Diameter (mm) : 25
Outer Diameter (mm) : 52
Width (mm) : 18
d - 25 mm
D - 52 mm
B - 18 mm
D2 - 46,3 mm
Da max - 46,4 mm
d2 - 30,7 mm
da min - 30,6 mm
ra max - 1 mm
rmin - 1 mm
m - 0,157 kg / Weight
Cr - 12300 N / Dynamic load rating (radial)
e - 0,27
Y1 - 2,37
Y2 - 3,66
C0r - 3250 N / Static load rating (radial)
Y0 - 2,48
nG - 9500 1/min / Limiting speed
nB - - 1/min / Reference speed
Cur - 203 N / Fatigue limit load, radial
Main dimensions to DIN 630, lip seal on both side