HOME >> Services >> Partners >> FAG Bearing
FAG Bearing
IKO Bearing
INA Bearing
KOYO Bearing
NACHI Bearing
NSK Bearing
NTN Bearing
SKF Bearing
TIMKEN Bearing

Bearing number : 2201-2RS-TVH
Size (mm) : 12x32x14
Brand : FAG
Bore Diameter (mm) : 12
Outer Diameter (mm) : 32
Width (mm) : 14
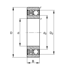
d - 12 mm
D - 32 mm
B - 14 mm
D2 - 27,9 mm
Da max - 27,8 mm
d2 - 16,2 mm
da min - 16,2 mm
ra max - 0,6 mm
rmin - 0,6 mm
m - 0,058 kg / Weight
Cr - 5700 N / Dynamic load rating (radial)
e - 0,37
Y1 - 1,69
Y2 - 2,62
C0r - 1260 N / Static load rating (radial)
Y0 - 1,77
nG - 17000 1/min / Limiting speed
nB - - 1/min / Reference speed
Cur - 78 N / Fatigue limit load, radial
Main dimensions to DIN 630, lip seal on both side