HOME >> Services >> Partners >> FAG Bearing
FAG Bearing
IKO Bearing
INA Bearing
KOYO Bearing
NACHI Bearing
NSK Bearing
NTN Bearing
SKF Bearing
TIMKEN Bearing

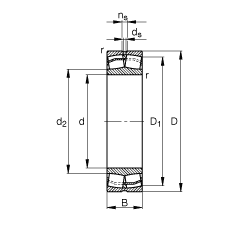
Bearing number : 21313-E1
Size (mm) : 65x140x33
Brand : FAG
Bore Diameter (mm) : 65
Outer Diameter (mm) : 140
Width (mm) : 33
d - 65 mm
D - 140 mm
B - 33 mm
D1 - 126,8 mm
Da max - 128 mm
d2 - 94,9 mm
da min - 77 mm
ds - 3,2 mm
ns - 6,5 mm
ra max - 2,1 mm
rmin - 2,1 mm
m - 2,13 kg / Weight
Cr - 250000 N / Dynamic load rating (radial)
e - 0,22
Y1 - 3,14
Y2 - 4,67
C0r - 270000 N / Static load rating (radial)
Y0 - 3,07
nG - 6200 1/min / Limiting speed
nB - 4200 1/min
Cur - 33500 N / Fatigue limit load, radial
Main dimensions to DIN 635-2