HOME >> Services >> Partners >> FAG Bearing
FAG Bearing
IKO Bearing
INA Bearing
KOYO Bearing
NACHI Bearing
NSK Bearing
NTN Bearing
SKF Bearing
TIMKEN Bearing

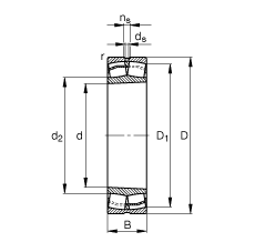
Bearing number : 21306-E1-K-TVPB
Size (mm) : 30x72x19
Brand : FAG
Bore Diameter (mm) : 30
Outer Diameter (mm) : 72
Width (mm) : 19
d - 30 mm
D - 72 mm
B - 19 mm
D1 - 59,9 mm
Da max - 65 mm
d2 - 41,5 mm
da min - 37 mm
ds - - mm
ns - - mm
ra max - 1 mm
rmin - 1,1 mm
m - 0,386 kg / Weight
Cr - 72000 N / Dynamic load rating (radial)
e - 0,27
Y1 - 2,49
Y2 - 3,71
C0r - 63000 N / Static load rating (radial)
Y0 - 2,43
nG - 12000 1/min / Limiting speed
nB - 7500 1/min
Cur - 7000 N / Fatigue limit load, radial
Main dimensions to DIN 635-2