HOME >> Services >> Partners >> FAG Bearing
FAG Bearing
IKO Bearing
INA Bearing
KOYO Bearing
NACHI Bearing
NSK Bearing
NTN Bearing
SKF Bearing
TIMKEN Bearing

Bearing number : 20304-TVP
Size (mm) : 20x52x15
Brand : FAG
Bore Diameter (mm) : 20
Outer Diameter (mm) : 52
Width (mm) : 15
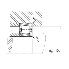
d - 20 mm
D - 52 mm
B - 15 mm
D1 - 43,5 mm
Da max - 45 mm
da min - 27 mm
ra max - 1 mm
rmin - 1,1 mm
m - 0,152 kg / Weight
Cr - 27000 N / Dynamic load rating (radial)
C0r - 24500 N / Static load rating (radial)
nG - 11800 1/min / Limiting speed
Cur - 2300 N / Fatigue limit load, radial
Main dimensions to DIN 635-1