HOME >> Services >> Partners >> FAG Bearing
FAG Bearing
IKO Bearing
INA Bearing
KOYO Bearing
NACHI Bearing
NSK Bearing
NTN Bearing
SKF Bearing
TIMKEN Bearing

Bearing number : 20244-MB
Size (mm) : 220x400x65
Brand : FAG
Bore Diameter (mm) : 220
Outer Diameter (mm) : 400
Width (mm) : 65
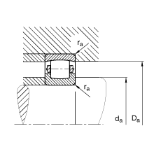
d - 220 mm
D - 400 mm
B - 65 mm
D1 - 353,5 mm
Da max - 383 mm
da min - 237 mm
ra max - 3 mm
rmin - 4 mm
m - 37,4 kg / Weight
Cr - 880000 N / Dynamic load rating (radial)
C0r - 1320000 N / Static load rating (radial)
nG - 1970 1/min / Limiting speed
Cur - 109000 N / Fatigue limit load, radial
Main dimensions to DIN 635-1