HOME >> Services >> Partners >> FAG Bearing
FAG Bearing
IKO Bearing
INA Bearing
KOYO Bearing
NACHI Bearing
NSK Bearing
NTN Bearing
SKF Bearing
TIMKEN Bearing

Bearing number : 20228-MB
Size (mm) : 140x250x42
Brand : FAG
Bore Diameter (mm) : 140
Outer Diameter (mm) : 250
Width (mm) : 42
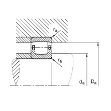
d - 140 mm
D - 250 mm
B - 42 mm
D1 - 223,9 mm
Da max - 236 mm
da min - 154 mm
ra max - 2,5 mm
rmin - 3 mm
m - 9,09 kg / Weight
Cr - 390000 N / Dynamic load rating (radial)
C0r - 530000 N / Static load rating (radial)
nG - 3050 1/min / Limiting speed
Cur - 50000 N / Fatigue limit load, radial
Main dimensions to DIN 635-1