HOME >> Services >> Partners >> FAG Bearing
FAG Bearing
IKO Bearing
INA Bearing
KOYO Bearing
NACHI Bearing
NSK Bearing
NTN Bearing
SKF Bearing
TIMKEN Bearing

Bearing number : 20226-MB
Size (mm) : 130x230x40
Brand : FAG
Bore Diameter (mm) : 130
Outer Diameter (mm) : 230
Width (mm) : 40
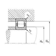
d - 130 mm
D - 230 mm
B - 40 mm
D1 - 205,7 mm
Da max - 216 mm
da min - 144 mm
ra max - 2,5 mm
rmin - 3 mm
m - 7,31 kg / Weight
Cr - 335000 N / Dynamic load rating (radial)
C0r - 450000 N / Static load rating (radial)
nG - 3300 1/min / Limiting speed
Cur - 42500 N / Fatigue limit load, radial
Main dimensions to DIN 635-1